Harald Prinzler
Mikroelektronik, Fesseldrachen und Fotografie
Detmolder Straße 93
D-33175 Bad Lippspringe
Phone: +49-5252-7830
email: harald@hprinzler.de
URL: http://www.hprinzler.de
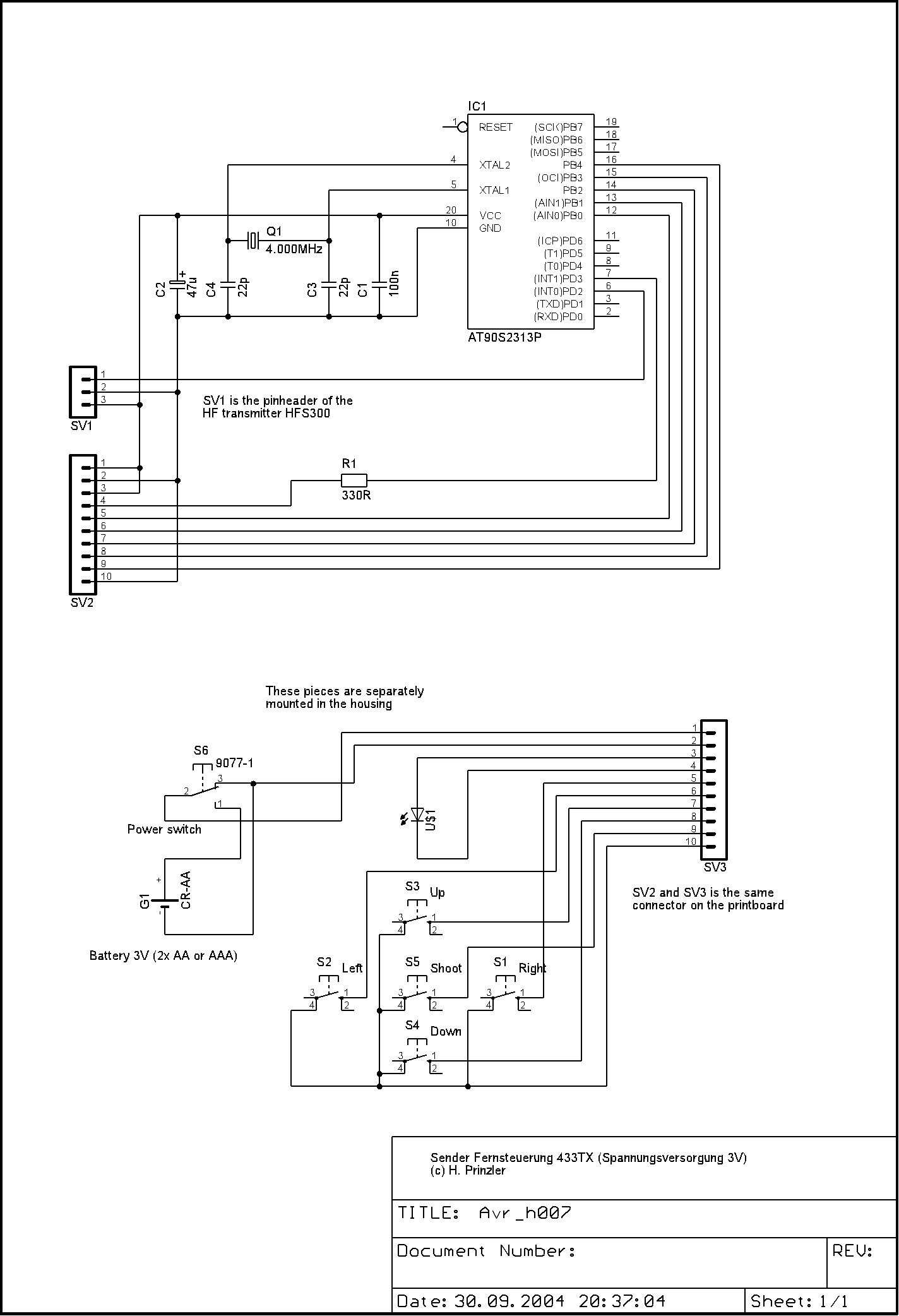
Remote control transmitter 433TX

433tx-l04.jpg

Very small, 5 buttons

Usable receivers:


433tx-c01.jpg

This is a customized transmitter with a selfpowered counter module. With every push on the shutter buttom the counter increases and keep the value even if the transmitter is unpowered. To reset the counter there is another buttom which can only be pressed with a pencil or something else.


©2015 Harald Prinzler