Harald Prinzler
Mikroelektronik, Fesseldrachen und Fotografie
Detmolder Straße 93
D-33175 Bad Lippspringe
Phone: +49-5252-7830
email: harald@hprinzler.de
URL: http://www.hprinzler.de
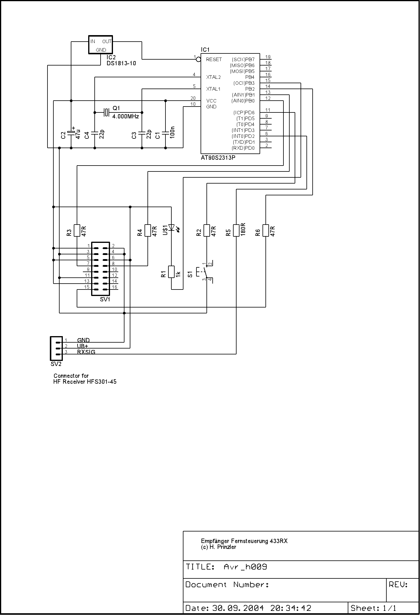
Remote control receiver 433RX

433rx-l03.jpg

Connector for 3 servo modules (HOR, VER, SHUTTER)

Usable transmitters:


©2015 Harald Prinzler