Harald Prinzler
Mikroelektronik, Fesseldrachen und Fotografie
Detmolder Straße 93
D-33175 Bad Lippspringe
Phone: +49-5252-7830
email: harald@hprinzler.de
URL: http://www.hprinzler.de
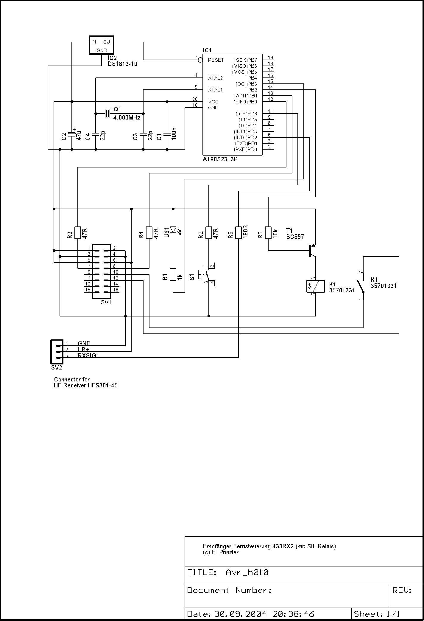
Remote control receiver 433RX2

(No photo available. Looks identical to 433RX)

Connector for 2 servo modules (HOR, VER) and switch contacts (SHUTTER)

Usable transmitters:


©2015 Harald Prinzler