Long time Interval-Timer with Quartz


[Circuit]

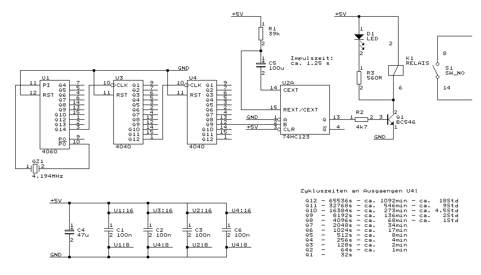
With this circuit a switch is closed for a short time after a long time of waiting. To get an exact waiting time, the timer is realized with a quartz. The circuit is useful to release a camera in long time steps.

Functional Description
The integrated circuit 4060 includes an quartz oscillator to generate a clock and some counters to divide the clock signal. The clock signal is divided by 2 additional integrated circuits 4040, which reduces the time for waiting between pulses to the required length. Depending on the required time one of the output signals of U4 leads to the timer U2A to start the relay for about 1.25s closing the switch.



[ Index ] [ Contents ] [ Top of Page ]

©2015 Harald Prinzler