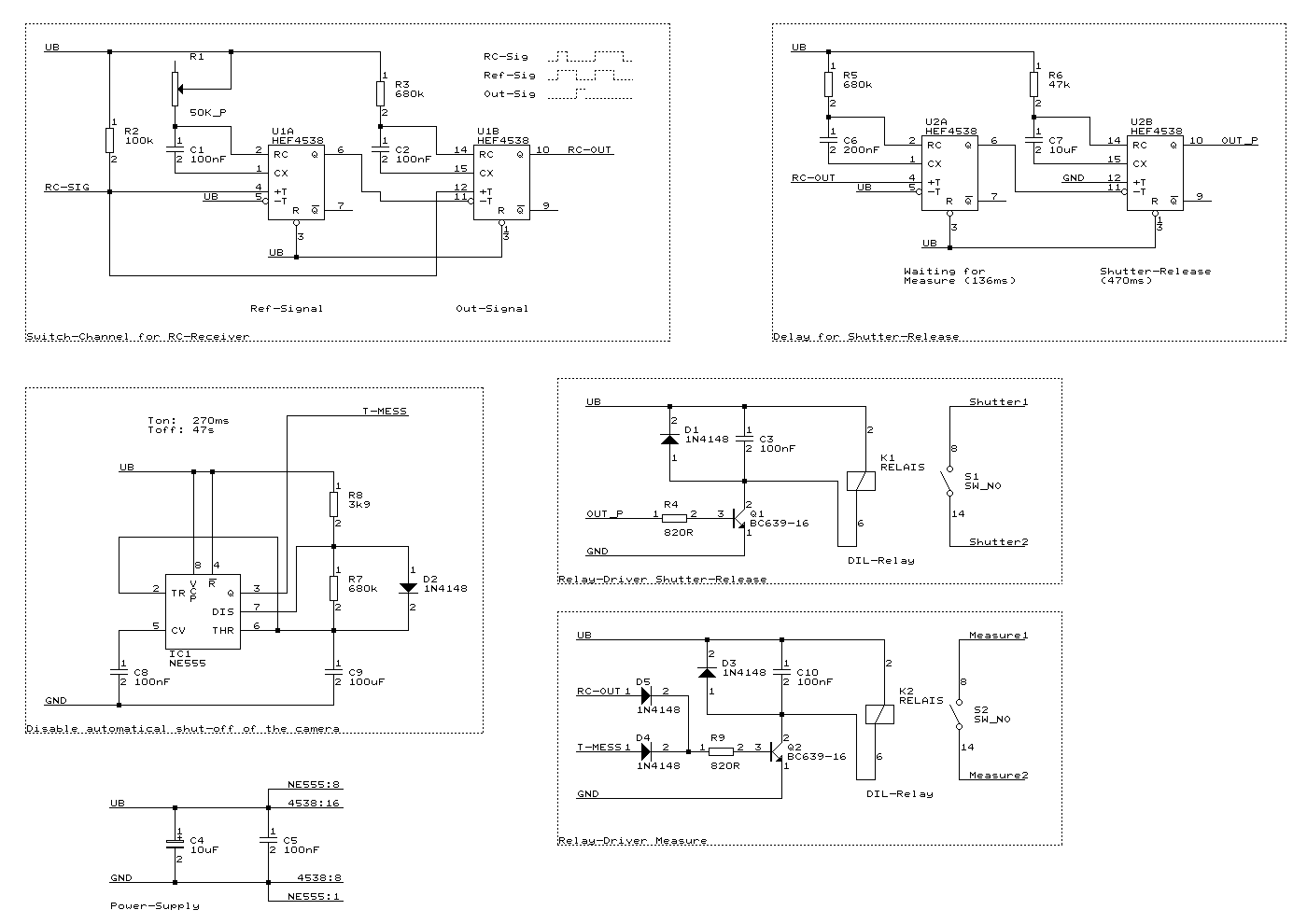
Electronical switch in 2 Phases


[Circuit]

With this circuit it is possible to release cameras, which need first a closed switch for measuring the light and after a delay a close switch for shutter release. To prevend the automatical switch off on the camera the switch for measurement should be closed for a short time after a long time of waiting.

Functional Description
Two timers in the first HEF4538 (U1) check the pulses from the receiver. The timer U1A is the refernce time started with every negative edge of the pulses by the receiver. At the end of the reference time the timer U1B is started if there is no pulse from the receiver. The output of timer U1B (RC-OUT) is active until the pulse time from the receiver is less than the reference time.

Two timers of the second HEF4538 (U2) are for the delay of the switch for shutter release after the switch of measurement. With the signal RC-OUT the timer U2A starts for the delay. After the delay time U2B is for 470ms active to close the switch for shutter release.

With the integrated circuit NE555 (IC1) a timer is built to create a pulse of 270ms (T-MESS) every 47 second. This pulse closes the switch for measurement and prevends the automatically shut off by the camera.

The diodes D4 and D5 lead the signals T-MESS and RC-OUT to the relay driver for measurement. If the signal from receiver is detected (RC-OUT=5V) or the timer to prevend shut off is active (T-MESS=5V) than the relay K2 closes the switch measurement for the camera.



[ Index ] [ Contents ] [ Top of Page ]

©2015 Harald Prinzler